sztoptestlogo
Products Test Cone Probe 31 IEC61032 Fig 14
iec 61032 test probe 31
IEC Test Finger ProbeIPX Test Finger Probe

Test Cone Probe 31 IEC61032 Fig 14

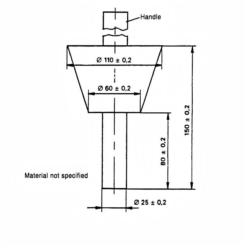
Test Cone Probe 31 (Grinding Probe) is a dedicated safety test tool defined in IEC 61032:1997 Figure 14 (equivalent to GB/T 16842-2008 Figure 14), used to verify protection against access to hazardous mechanical parts in food waste disposer grinding systems.

Test Cone Probe 31 (IEC 61032 Fig 14)
Test Cone Probe 31 (Grinding Probe) is a dedicated safety test tool defined in IEC 61032:1997 Figure 14 (equivalent to GB/T 16842-2008 Figure 14), used to verify protection against access to hazardous mechanical parts in food waste disposer grinding systems.



1. Core Standards & Purpose

  • Standard Reference: IEC 61032:1997, GB/T 16842-2008, EN 61032:1998.
  • Primary Application: Safety testing for food waste disposers, garbage grinders, and similar appliances with internal grinding mechanisms.
  • Test Objective: Simulate accidental finger/object insertion to ensure the enclosure prevents access to sharp, rotating, or crushing components.

2. Key Specifications (IEC 61032 Fig 14)

Parameter
Standard Value
Probe Rod Diameter
25 mm ± 0.2 mm
Probe Rod Length
80 mm ± 0.2 mm
Front Plate Diameter
60 mm ± 0.2 mm
Back Plate Diameter
110 mm ± 0.2 mm
Total Length
150 mm ± 0.2 mm
Material
Probe: Stainless steel; Handle: Insulating nylon
Optional Feature
M6 threaded hole for push‑pull force gauge connection


3. Test Method

  1. Operate the food waste disposer under normal working conditions.
  1. Insert the probe into all openings and gaps of the disposer housing without excessive force.
  1. Check if the probe can reach or contact the internal grinding blades, impellers, or other hazardous mechanical parts.
  1. Judgment: No contact → Pass; Contact → Fail (requires improved guarding).