
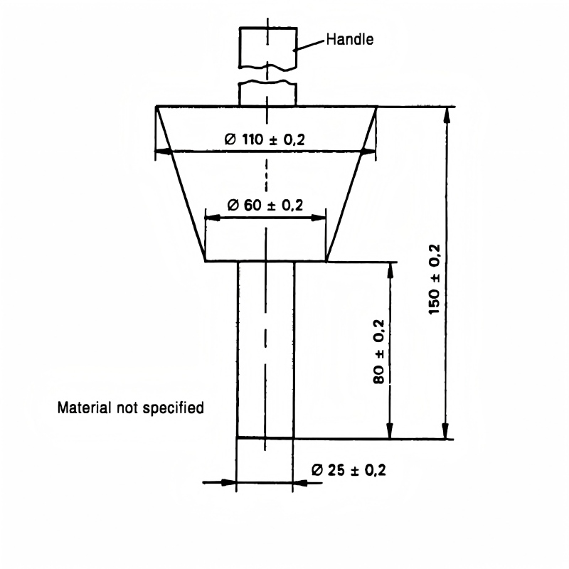
Rod Specifications: Ø 25mm and 80mm in length, crafted with interchangeable options of high-quality metal or Derlin. This probe is meticulously designed to meet the stringent standards of IEC61032 figure 14 and Test Probe 31, as well as IEC60335-2-16 clause 20.101, ensuring your equipment's safety and compliance.
